Buckling is important concept in stuctural engineering.
A material or structure that deforms or failure under compressive forces.
Buckling is most commonly observed in slender and long structural element like columns or beams, which bend or curve outward when unable to withstand the applied compressive forces.

First, compute the analytic solution.

where $n$ is mode number, $E$ is Young's modulus and $I$ is moment of inertia
First, calculate the critical load for the mode number.
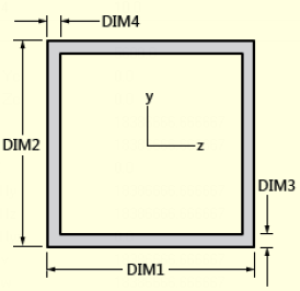
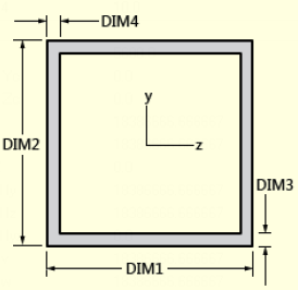
Area : square (150mm * 150mm)
T : 10mm
L : 3000mm
E : 70GPa
I : $1.8386 \times {10^{ - 5}}{m^4}$

Run HyperMesh and drow lines (3000, 0, 0)
Create - Materials
Card Image : MAT1
E : 70000
NU : 0.33
Create - Beamsection
Section Type : BOX
DIM1 : 150
DIM2 : 150
DIM3 : 10
DIM4 : 10

Create - Property
Card Image : PBAR
Assign material ans beamsection

assign property to components
1D - elem types
bars : CBAR
update and return
1D - line mesh
element config : bar2
element size : 100
Components : (0, 1, 0)
mesh and return
Create - Load Collectors
name : spc
BCs - Create - Constraint
check all dof and select left node
The rightmost node constrains except in the direction of the load. (check dof2 and 3)
Constrain the remaining nodes to move only in the xy plane. (check dof3)

Create - Load Collectors
name : force
BCs - Create - Force
magnitude : -160e3
direction : x-axis

Create - Load Collectors
name : EIGRL
Card Image : EIGRL (Set parameters for eigenvalue analysis)
V1(frequency range lower limit) : 0
ND(Number of modes want to find) : 5
Create - Load Step
name : Linear Static
Analysis type : Linear Static
SPC : (1)spc
LOAD : (2)force
Create - Load Step
name : Linear buckling
Analysis type : Linear buckling
STATSUB(BUCKLING) : (1)Linear Static
METHOD(STRUCT) : (3)EIGRL
Analysis - OptiStruct


The error rate was very low compared to the analytic solution.
'Structural Analysis > OptiStruct' 카테고리의 다른 글
| 10_Impact analysis (0) | 2023.12.10 |
|---|---|
| 9_Contact analysis (0) | 2023.12.09 |
| 4_Torsional analysis(spot weld flange) (0) | 2023.12.04 |
| 3_Nonlinear static analysis (1) | 2023.12.03 |
| 1_Linear static analysis (0) | 2023.12.01 |